
FT30C型玻璃钢电机外接式轴流通风机
FT30C型玻璃钢电机外接式轴流通风机具有结构合理、设计简单、静压及效率高、防腐性能良好、噪音低、运转平稳、机械振动小、气流顺畅等特点。该系列风机电机装配在风机筒体上部,有可调的电机支承座板,采用角带传动,从而使风机所输送的各种耐腐性气体与电机隔离,保证电机使用寿命。风筒内采用外沟球面万向轴承座,具有体积小、密封性能好等到优点。该系列风机主要适用于一般工业管道串联加压、送风及排气使用。所输送气体不允许含有粘性物质、所含粉尘及硬质颗粒≤150mg/m3、气体温度≤60℃、相对湿度≤100%。FT30C type FRP axial flow fan series
The FT30C type glass fiber reinforced plastic motor external axial flow fan has the characteristics of reasonable structure, simple design, high static pressure and efficiency, good anticorrosive performance, low noise, smooth operation, small mechanical vibration and smooth flow. The series fan motor is assembled on the upper part of the fan body, with adjustable motor supporting seat plate and angular belt drive, so that all kinds of decay resistant gas conveyed by the fan can be isolated from the motor to ensurethe service life of the motor. The outer groove spherical universal bearing seat is used in the winder, which has the advantages of small volume and good sealing performance. This series of fans are mainly applicable to the series pressurization, air supply and exhaust use of general industrial pipes. The gas is not allowed to contain viscous substances, dust and hard particles is less than or equal to 150mg/m3, the gas temperature are less than 60, the relative humidity is less than 100%.|
机 号 Model(No) |
||||
|---|---|---|---|---|
|
功 率 Power(Kw) |
转 速 Speed(r/min) |
流 量 Volume(M3/h) |
全 压 Pressure(Pa) |
|
| 3.5C | 0.55 | 1450 | 2500 | 40 |
| 4C | 0.75 | 1600 | 4000 | 86 |
| 0.55 | 1450 | 3500 | 66 | |
| 5C | 1.5 | 1600 | 8460 | 100 |
| 1.1 | 1450 | 7667 | 82 | |
| 6C | 2.2 | 1600 | 14000 | 179 |
| 1.5 | 1450 | 11590 | 123 | |
| 7C | 3 | 1450 | 19000 | 226 |
| 8C | 4 | 1450 | 24500 | 221 |
| 9C | 5.5 | 1450 | 31421 | 215 |
| 10C | 4 | 960 | 27755 | 134 |
| 11.2C | 7.5 | 960 | 43673 | 215 |
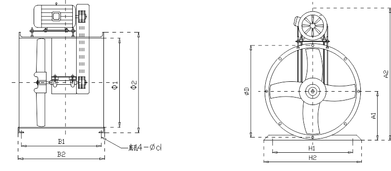
产品为人工实物测量会有一定误差,相关数据仅作参考,以收到的实物为准。 单位Unit: mm(毫米)
| 机 号 | ||||||||||
|---|---|---|---|---|---|---|---|---|---|---|
| 外形尺寸 Shape size | 底架尺寸 Bottom frane size | |||||||||
| NO | D | Φ1 | Φ2 | A1 | A2 | B1 | B2 | H1 | H2 | Φd |
| 3.5C | 355 | 380 | 410 | 220 | 625 | 400 | 450 | 290 | 350 | 12 |
| 4C | 410 | 435 | 466 | 245 | 660 | 400 | 450 | 300 | 400 | 12 |
| 5C | 555 | 518 | 608 | 315 | 868 | 423 | 467 | 550 | 600 | 12 |
| 6C | 655 | 605 | 705 | 362 | 978 | 445 | 500 | 670 | 710 | 12 |
| 7C | 710 | 735 | 790 | 408 | 1008 | 525 | 580 | 743 | 805 | 12 |
| 8C | 810 | 850 | 890 | 458 | 1130 | 620 | 660 | 815 | 900 | 12 |
| 9C | 948 | 905 | 1010 | 505 | 1300 | 682 | 745 | 900 | 995 | 12 |
| 10C | 1010 | 1050 | 1090 | 580 | 1318 | 735 | 800 | 980 | 1090 | 12 |
欢迎进入“万通风机”官方网站
Welcome to Wantong Xingfeng official website
![]() |
广州市万通通风设备有限公司 广州市万通通风设备有限公司(注册商标:万通星风)是一家研发、生产、销售、安装通风设备、大气污染防治设备的多元化专业性企业。产品广泛用于:电镀、化工、电子、电气、线路板、机械、电站、电厂、科研、医院、实验室、矿业、冶炼、橡胶、林业、皮革、纸业、陶瓷、模具车间、汽车制造,新能源机械等配套以及各种含有腐蚀性气体的场合。每一个产品都见证了万通的品质,让万通立足全国,走向世界!经过十几年发展“万通星风”已汇聚了一群技术精湛,经验丰富的专业技术人员,引进消化国内外先进技术,是国内拥有自主研发大气污染防治设备、防腐风机能力的厂家。“国际品质、万通打造” 全国服务热线: |
广州总公司
Guangzhou General Corporation
![]() |
销售电话: |
![]() |
官方网址: |
![]() |
电子邮箱:wantongfj@qq.com |
![]() |
![]() |
地址:广州市番禺区沙湾镇动车街33号之二 路线:广州地铁3号线到番禺广场站下,换乘公交车番68路、到古东村总站下。 |
|||
公司地图
Company map
咨询:FT30C型乌海玻璃钢轴流通风机
* 为必填项
广州市万通通风设备有限公司
销售电话:
ONLINE CONSUL TATION