
PP4-62C型聚丙烯离心通风机
PP4-62C型聚丙烯离心通风机参照金属4-62性能参数采用聚丙烯板,加热压模焊接而成。其广泛应用于科研、化工、冶金、电子、医药、纺织、仪表、电镀、矿山、学校酒店、宾馆、实验室、环保配套设备等行业中作通风换气排除酸碱性等有害气体通风之用。但不允许输送含芳香族化合物、脂肪族与芳香族碳氢化合物的卤素衍生物、酮类等腐蚀性气体。具有耐化学腐蚀、不易老化、比重小、机械振动小、噪音低、运转平稳等特点。其所输送气体不允许含有粘性物质、所含粉尘及硬质颗粒≤150mg/m3、气体温度50℃、相对湿度≤100%。且避免阳光暴晒、风机现场附近不得有热源。PP4-62C polypropylene centrifugal fan series
The PP4-62 polypropylene centrifugal fan is made of polypropylene plate and heating die according to the metal 4-62 performance parameters. It is widely used in research, chemical, metallurgy, electronics, medicine, textile, instrumentation, electroplating, mining, school hotels, hotels, laboratories, environmental protection equipment and other industries for ventilation and ventilation to eliminate harmful gases such as acid and alkali. . However, it is not allowed to transport a corrosive gas such as a halogen derivative containing an aromatic compound, an aliphatic or an aromatic hydrocarbon, or a ketone. It has the characteristics of chemical corrosion resistance, aging resistance, small specific gravity, low mechanical vibration, low noise and stable operation. The gas to be transported is not allowed to contain viscous substances, dust and hard particles ≤150mg/m3, gas temperature 50°C, relative humidity ≤100%. And avoid sun exposure, there must be no heat source near the fan site.|
机 号 Model(No) |
||||
|---|---|---|---|---|
|
功 率 Power(Kw) |
转 速 Speed(r/min) |
流 量 Volume(M3/h) |
全 压 Pressure(Pa) |
|
| 6C | 4 | 1450 | 8000-11000 | 1274-686 |
| 1.5 | 960 | 4420-8841 | 498-317 | |
| 7C | 7.5 | 1450 | 10500-16500 | 1580-980 |
| 3 | 960 | 6650-11000 | 650-425 | |
| 8C | 5.5 | 960 | 10478-19428 | 887-651 |
| 10C | 7.5 | 800 | 16800-23560 | 850-720 |
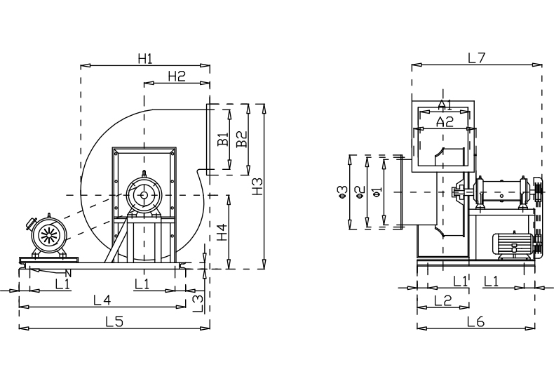
产品为人工实物测量会有一定误差,一切以收到的实物为准。 单位Unit: mm(毫米)
| 机 号 | |||||||||||||||||||
|---|---|---|---|---|---|---|---|---|---|---|---|---|---|---|---|---|---|---|---|
| 进风口 Air inlet | 出风口 Vent | 外形尺寸 Shape size | 底架尺寸 Bottom frame size | ||||||||||||||||
| NO | Φ1 | Φ2 | Φ3 | A1 | A2 | B1 | B2 | H1 | H2 | H3 | H4 | L5 | L7 | L1 | L2 | L3 | L4 | L6 | N |
| 6C | 387 | 437 | 487 | 345 | 456 | 403 | 518 | 940 | 450 | 1295 | 570 | 1250 | 988 | 100 | 420 | 60 | 1000 | 720 | M12 |
| 7C | 443 | 498 | 553 | 406 | 519 | 472 | 584 | 1005 | 497 | 1405 | 880 | 1470 | 1168 | 158 | 424 | 60 | 1405 | 880 | M12 |
| 8C | 525 | 588 | 648 | 468 | 597 | 546 | 683 | 1210 | 630 | 1685 | 975 | 1690 | 1350 | 193 | 550 | 75 | 1400 | 1100 | M12 |
欢迎进入“万通风机”官方网站
Welcome to Wantong Xingfeng official website
![]() |
广州市万通通风设备有限公司 广州市万通通风设备有限公司(注册商标:万通星风)是一家研发、生产、销售、安装通风设备、大气污染防治设备的多元化专业性企业。产品广泛用于:电镀、化工、电子、电气、线路板、机械、电站、电厂、科研、医院、实验室、矿业、冶炼、橡胶、林业、皮革、纸业、陶瓷、模具车间、汽车制造,新能源机械等配套以及各种含有腐蚀性气体的场合。每一个产品都见证了万通的品质,让万通立足全国,走向世界!经过十几年发展“万通星风”已汇聚了一群技术精湛,经验丰富的专业技术人员,引进消化国内外先进技术,是国内拥有自主研发大气污染防治设备、防腐风机能力的厂家。“国际品质、万通打造” 全国服务热线: |
广州总公司
Guangzhou General Corporation
![]() |
销售电话: |
![]() |
官方网址: |
![]() |
电子邮箱:wantongfj@qq.com |
![]() |
![]() |
地址:广州市番禺区沙湾镇动车街33号之二 路线:广州地铁3号线到番禺广场站下,换乘公交车番68路、到古东村总站下。 |
|||
公司地图
Company map
咨询:PP4-62型乌海塑料离心通风机
* 为必填项
广州市万通通风设备有限公司
销售电话:
ONLINE CONSUL TATION